Home
Products
K-SILVER
News
Contact us
Products
K-SILVER
News
Contact us
中
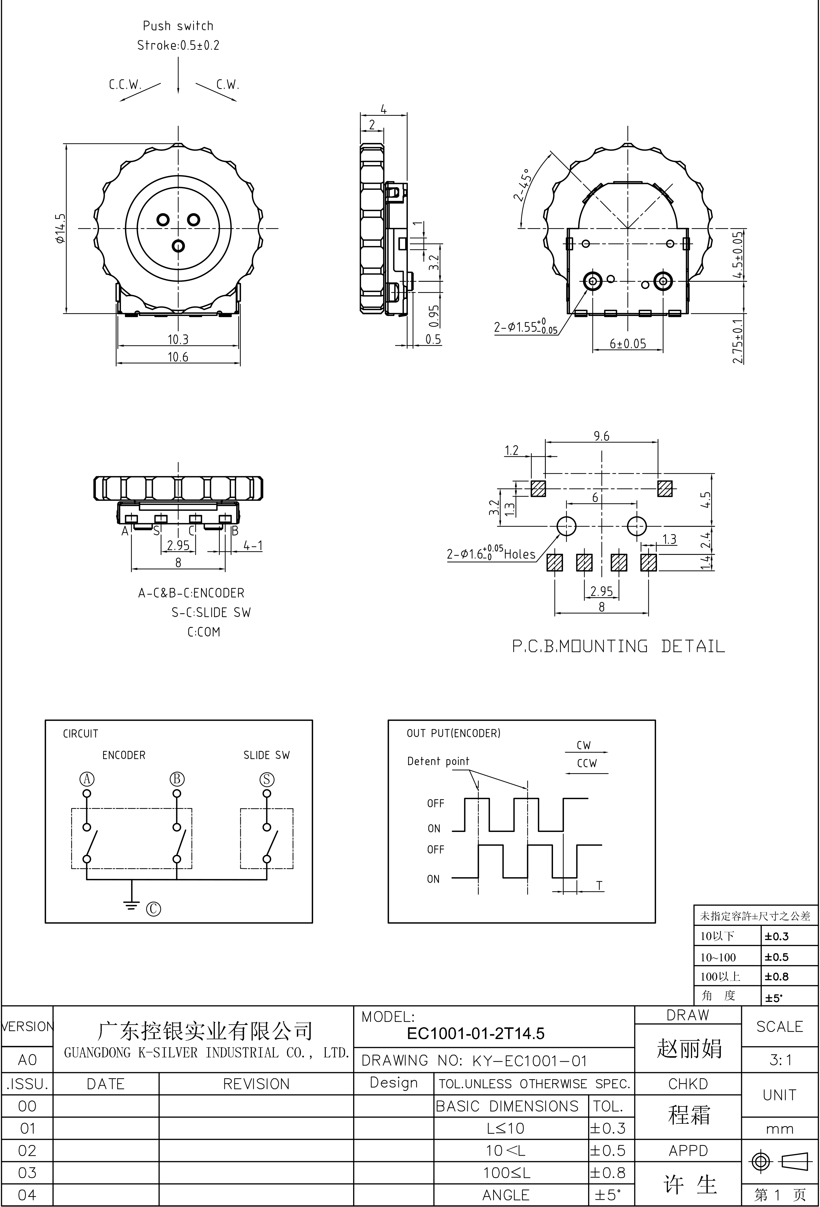
EC1001-01-2T14.5
Enquiry Now
Specific dimensions
Enquiry Now
X