首页
产品中心
关于控银
新闻资讯
联系我们
产品中心
关于控银
新闻资讯
联系我们
EN
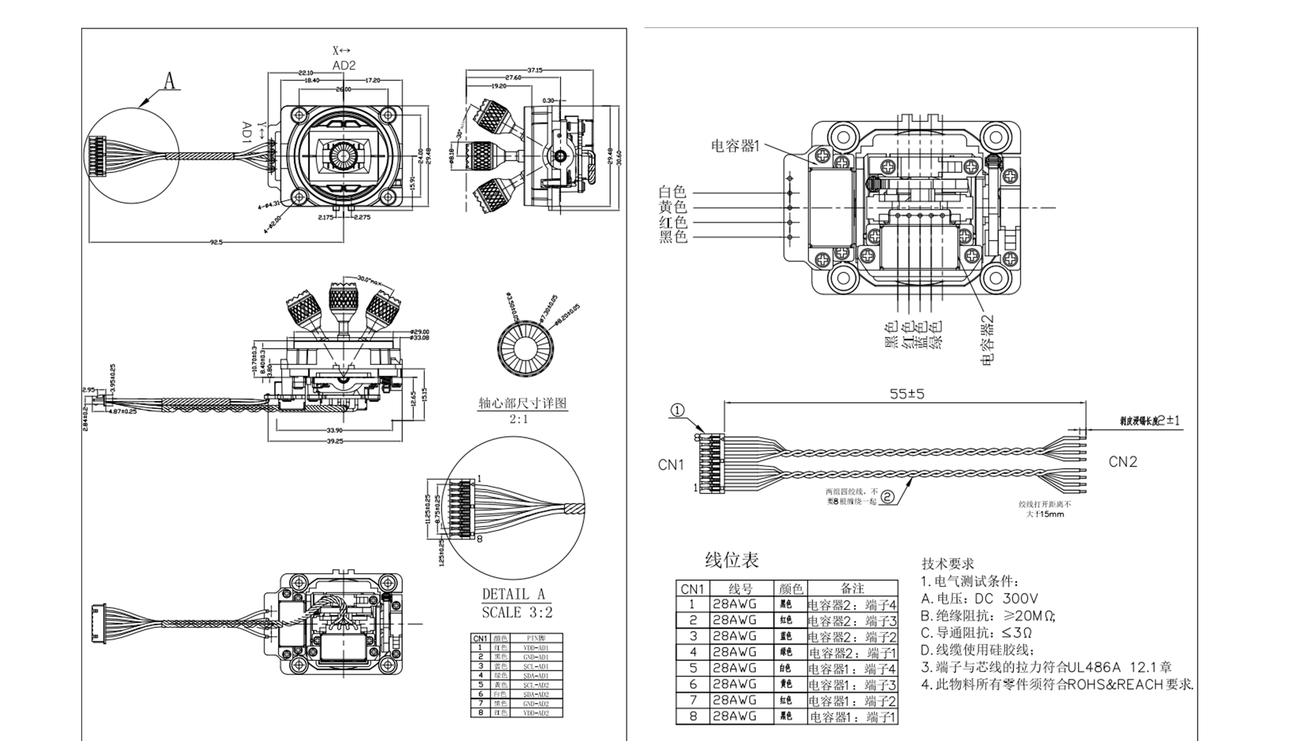
JL36穿越机摇杆
立即咨询
查看详细尺寸
立即咨询
X